Carrello 0

Plane closers Geze TS 1500 G Arm Sled Without Fermo

  • Brands: Geze
  • Code: TS 1500 G SENZA FERMO
-20%
£ 53,82 £ 67,28
Prices excluding VAT
You have chosen:

- +
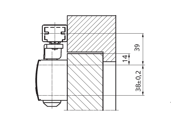
Geze TS 1500 G; Plane closers with arm to slide without Fermo

GEZE TS 1500 G with slide without standstill with adjustable power, complete with hardware and installation template (mounting plate not included).

TECHNICAL DESCRIPTION:
Overhead doorcloser TS 1500 G with slide, for leaf widths up to 850mm.
Closing speed and hydraulic latching adjustable.


door closers GEZE

FIELD OF USE:
  • For internal doors;
  • For single leaf door, with widths up to 850mm;
  • For doors with opening on the right and left without any modification;
  • Possibility of traditional assembly on the door.

GEZE pricedoor closers closing

GENERAL INFORMATION ON AIR GEZE DOOR CLOSER WITH ARM (taken from the catalog Geze):
slide channel door closer GEZE

Products that might interest you

Recently viewed products

Newsletter

Seguici

© Windowo All rights reserved - VAT: 02324570221 Software Ecommerce by Daisuke ®